详细介绍
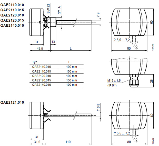
西门子温度传感器QAE2120.010 QAE2121.010 QAE2120.015 QAE21...
无源插入式温度传感器用于采集水管与水箱中的温度。
西门子温度传感器用途
QAE21… 插入式温度传感器用于:
• 控制或限定水流温度
• 限定回水温度
• 控制生活用水温度
西门子温度传感器型号
QAE2120.010
配件:配有保护套和螺纹套管 G ½ A
探头:100 mm
额定压力:PN 10
测量元件:LG-Ni 1000
防护等级:IP 42 (IP 54)
测温范围:-30...130℃
QAE2120.015
配件:配有保护套和螺纹套管 G ½ A
探头:150 mm
额定压力:PN 10
测量元件:LG-Ni 1000
防护等级:IP 42 (IP 54)
测温范围:-30...130℃
QAE2121.010
配件:无
探头:100 mm
额定压力:PN 10
额定压力:LG-Ni 1000
额定压力:IP 42 (IP 54)
测温范围:-30...130℃
设备兼容
所有系统或设备都能采集或处理传感器的无源 Pt 100, LG-Ni 1000 或 T1输出信号。
功能
传感器通过传感元件的阻值随温度变化而成函数方式变化来获取中间温度值。温度信号输入至相应的控制器用作进一步处理。
外形尺寸




